Камины Очаг — когда деньги не вылетают в трубу!

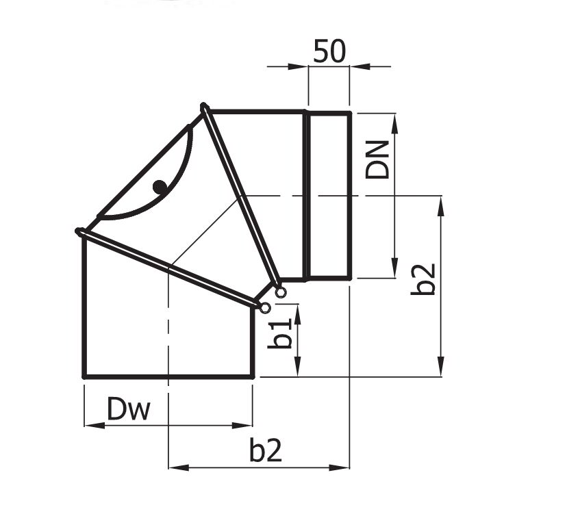
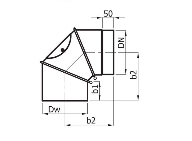
Колено поворотное 90° d200

b2487a09ecd8
В наличии
4 032 
ПроизводительDarco Страна-производительПольша
Доставка в Новосибирск
Удобство оплаты
Почему звонить в Очаг уже сейчас?
  • Единая цена по всей России
  • Бесплатная доставка
  • Понимаем любой бюджет
  • Считаем ВСЕ варианты
  • Инструкции и видео для Монтажа
  • Доступно, Оперативно, Профессионально
  • Более 2 000 монтажей за 17 лет

Примеры работ     #Степан_Знает

Описание
Характеристики

Общие

Производитель:
Страна-производитель:
Польша
Гарантия
:
2 года
Внутренний диаметр:
200 мм
Материал дымохода:
Сталь
Применение дымохода:
Подключение каминов и печей
Тип элемента дымохода:
Толщина стенки:
2 мм
Марка стали:
DC01