Камины Очаг — когда деньги не вылетают в трубу!

Топка Romotop Heat C 3G L 50.52.31.21

cd288d704206
Доставка в Новосибирск
Удобство оплаты
Почему звонить в Очаг уже сейчас?
  • Единая цена по всей России
  • Бесплатная доставка
  • Понимаем любой бюджет
  • Считаем ВСЕ варианты
  • Инструкции и видео для Монтажа
  • Доступно, Оперативно, Профессионально
  • Более 2 000 монтажей за 17 лет

Примеры работ     #Степан_Знает

Описание
Характеристики

Общие

Производитель:
Страна-производитель:
Чехия
Гарантия
:
5 лет
Материал корпуса:
Материал топки:
  • Вермикулит
Конструкция топки:
Стекло с подъемом вверх:
Да

Размеры

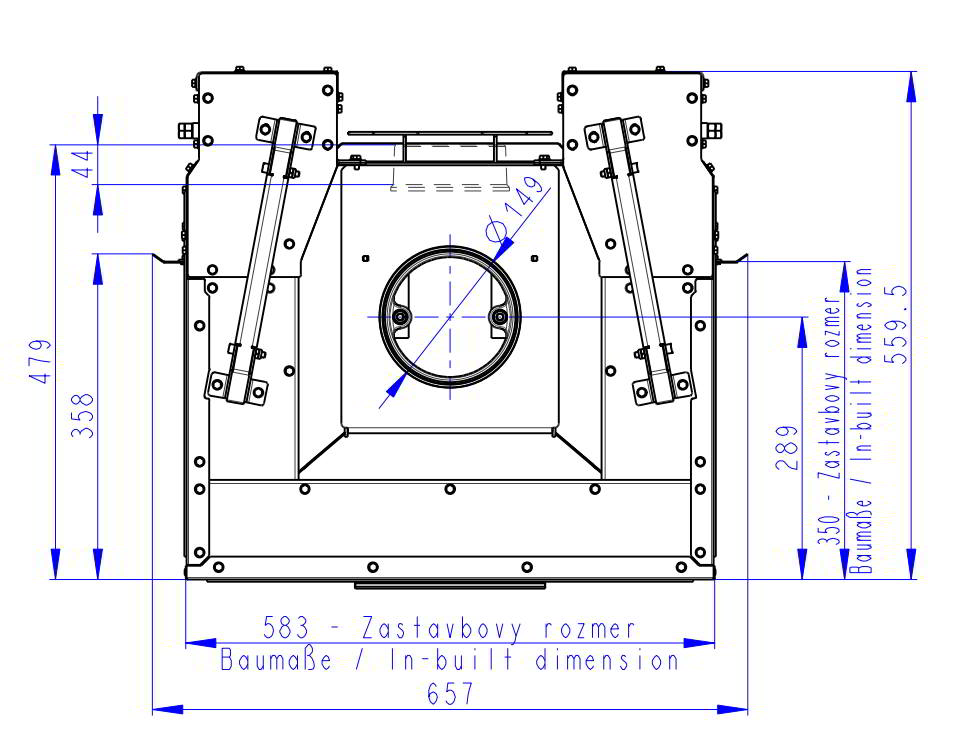
Диаметр дымохода:
150 мм
Общая ширина:
657 мм
Общая глубина:
560 мм
Общая высота:
1342 мм
Общий вес:
180 кг
Высота рамки:
468 мм
Ширина рамки:
504 мм

Производительность

Мощность:
5,6 кВт
КПД:
82,1%
Площадь отопления:
60 м²
Объем отопления:
150 м³
Использование для отопления:

Особенности

Водяной контур:
Нет
Подвод внешнего воздуха:
Дожиг газов:
Подача воздуха на стекло:
Да
Зольный ящик:
Нет
Шибер:
Нет
Подъем стекла вверх:
За те же деньги