Камины Очаг — когда деньги не вылетают в трубу!

Топка Romotop Heat R/L 3G L 65.51.40.01

dcdf1267a77f
Доставка в Новосибирск
Удобство оплаты
Почему звонить в Очаг уже сейчас?
  • Единая цена по всей России
  • Бесплатная доставка
  • Понимаем любой бюджет
  • Считаем ВСЕ варианты
  • Инструкции и видео для Монтажа
  • Доступно, Оперативно, Профессионально
  • Более 2 000 монтажей за 17 лет

Примеры работ     #Степан_Знает

Описание
Характеристики

Общие

Производитель:
Страна-производитель:
Чехия
Гарантия
:
5 лет
Остекление:
Материал корпуса:
Материал топки:
  • Вермикулит
Конструкция топки:
Стекло с подъемом вверх:
Да

Размеры

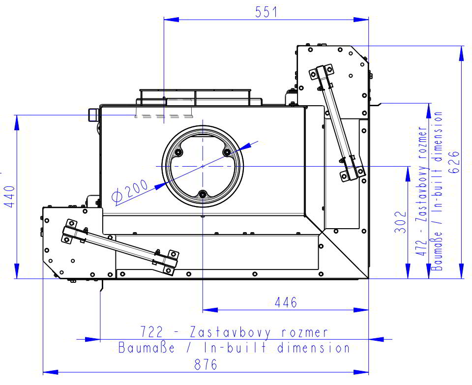
Диаметр дымохода:
200 мм
Общая ширина:
876 мм
Общая глубина:
626 мм
Общая высота:
1387 мм
Общий вес:
235 кг
Высота рамки:
470 мм
Ширина рамки:
650 мм

Производительность

Мощность:
6,3 кВт
КПД:
84,8%
Площадь отопления:
70 м²
Объем отопления:
175 м³
Использование для отопления:

Особенности

Водяной контур:
Нет
Подвод внешнего воздуха:
Дожиг газов:
Подача воздуха на стекло:
Да
Зольный ящик:
Нет
Шибер:
Нет
Подъем стекла вверх:
За те же деньги