Камины Очаг — когда деньги не вылетают в трубу!

Топка Schmid Ekko L55(34)51 s

422fafcf1ce5
Доставка в Новосибирск
Удобство оплаты
Почему звонить в Очаг уже сейчас?
  • Единая цена по всей России
  • Бесплатная доставка
  • Понимаем любой бюджет
  • Считаем ВСЕ варианты
  • Инструкции и видео для Монтажа
  • Доступно, Оперативно, Профессионально
  • Более 2 000 монтажей за 17 лет

Примеры работ     #Степан_Знает

Описание
Характеристики

Общие

Производитель:
Страна-производитель:
Германия
Гарантия
:
5 лет
Остекление:
Материал корпуса:
Материал топки:
  • Шамот
Конструкция топки:

Размеры

Диаметр дымохода:
180 мм
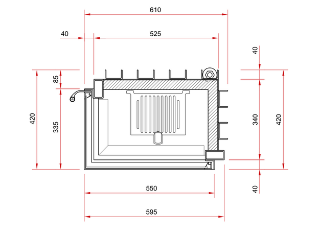
Общая ширина:
610 мм
Общая глубина:
420 мм
Общая высота:
1340 мм
Общий вес:
200 кг
Высота рамки:
510 мм
Ширина рамки:
550 мм

Производительность

Мощность:
5 кВт
КПД:
78%
Площадь отопления:
50 м²
Объем отопления:
125 м³
Использование для отопления:

Особенности

Водяной контур:
Нет
Подвод внешнего воздуха:
Дожиг газов:
Подача воздуха на стекло:
Да
Зольный ящик:
Да
Шибер:
Нет
Подъем стекла вверх:
За те же деньги