Камины Очаг — когда деньги не вылетают в трубу!

Топка Spartherm Varia FDH

0b7cbcd9b1ab
В наличии
672 200 
ПроизводительSpartherm Страна-производительГермания Мощность11,6 кВт
Доставка в Новосибирск
Удобство оплаты
Почему звонить в Очаг уже сейчас?
  • Единая цена по всей России
  • Бесплатная доставка
  • Понимаем любой бюджет
  • Считаем ВСЕ варианты
  • Инструкции и видео для Монтажа
  • Доступно, Оперативно, Профессионально
  • Более 2 000 монтажей за 17 лет

Примеры работ     #Степан_Знает

Описание
Характеристики

Общие

Производитель:
Страна-производитель:
Германия
Гарантия
:
5 лет
Материал корпуса:
Материал топки:
  • Керамика
Конструкция топки:
Стекло с подъемом вверх:
Да
Боковое стекло:
Нет

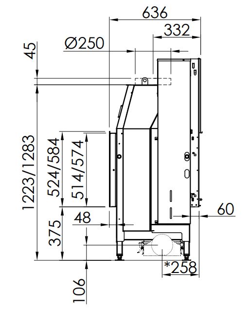
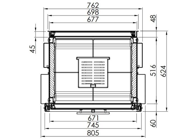
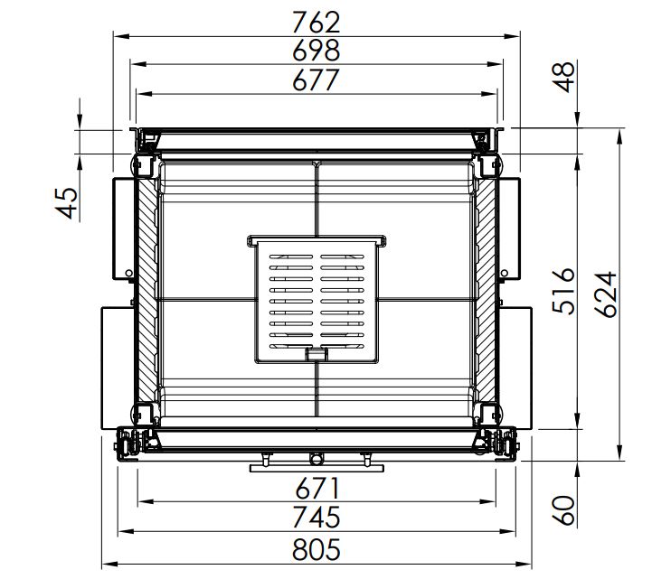
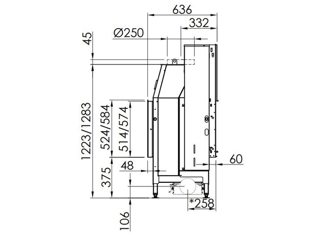
Размеры

Диаметр дымохода:
250 мм
Общая ширина:
805 мм
Общая глубина:
624 мм
Общая высота:
1405 мм
Ширина рамки:
671 мм

Производительность

Мощность:
11,6 кВт
КПД:
80%
Площадь отопления:
120 м²
Объем отопления:
300 м³
Использование для отопления:

Особенности

Водяной контур:
Нет
Подвод внешнего воздуха:
Дожиг газов:
Подача воздуха на стекло:
Да
Зольный ящик:
Да
Шибер:
Нет
Подъем стекла вверх:
За те же деньги