Камины Очаг — когда деньги не вылетают в трубу!

Печь La Nordica Milly

808c540b0f7f
Доставка в Новосибирск
Удобство оплаты
Почему звонить в Очаг уже сейчас?
  • Единая цена по всей России
  • Бесплатная доставка
  • Понимаем любой бюджет
  • Считаем ВСЕ варианты
  • Инструкции и видео для Монтажа
  • Доступно, Оперативно, Профессионально
  • Более 2 000 монтажей за 17 лет

Примеры работ     #Степан_Знает

Описание
Характеристики

Общие

Производитель:
Страна-производитель:
Италия
Гарантия
:
5 лет
Материал отделки:
Материал топки:
  • Чугун

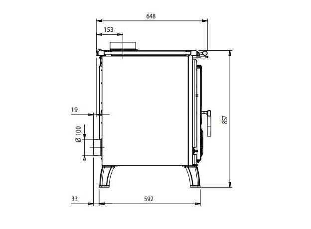
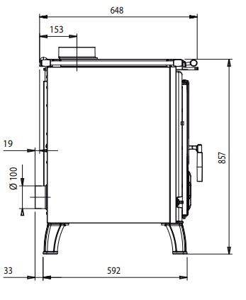
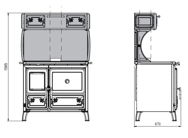
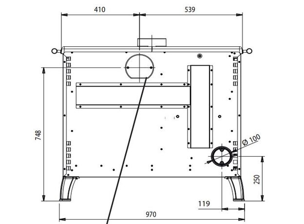
Размеры

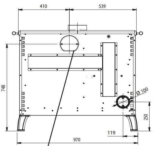
Диаметр дымохода:
150 мм
Общая ширина:
1050 мм
Общая глубина:
670 мм
Общая высота:
865 мм
Общий вес:
217 кг

Производительность

Мощность:
8,7 кВт
КПД:
89,1%
Площадь отопления:
90 м²
Объем отопления:
225 м³
Использование для отопления:

Особенности

Водяной контур:
Нет
Вывод трубы:
Подвод внешнего воздуха:
Дожиг газов:
Подача воздуха на стекло:
Да
Плита для готовки:
Духовка:
За те же деньги