Камины Очаг — когда деньги не вылетают в трубу!

Топка Spartherm Varia 1V57H

e24db5968c9f
В наличии
612 600 
ПроизводительSpartherm Страна-производительГермания Мощность11 кВт
Доставка в Новосибирск
Удобство оплаты
Почему звонить в Очаг уже сейчас?
  • Единая цена по всей России
  • Бесплатная доставка
  • Понимаем любой бюджет
  • Считаем ВСЕ варианты
  • Инструкции и видео для Монтажа
  • Доступно, Оперативно, Профессионально
  • Более 2 000 монтажей за 17 лет

Примеры работ     #Степан_Знает

Описание
Характеристики

Общие

Производитель:
Страна-производитель:
Германия
Гарантия
:
5 лет
Остекление:
Материал корпуса:
Материал топки:
  • Керамика
Конструкция топки:
Стекло с подъемом вверх:
Да
Боковое стекло:
Нет

Размеры

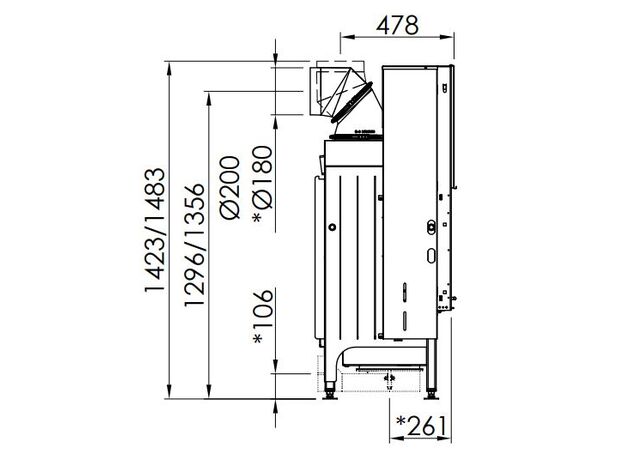
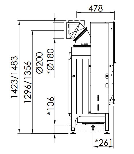
Диаметр дымохода:
200 мм
Общая ширина:
805 мм
Общая глубина:
574 мм
Общая высота:
1523 мм
Общий вес:
255 кг
Ширина рамки:
670 мм

Производительность

Мощность:
11 кВт
КПД:
80%
Площадь отопления:
110 м²
Объем отопления:
275 м³
Использование для отопления:

Особенности

Водяной контур:
Нет
Подвод внешнего воздуха:
Дожиг газов:
Подача воздуха на стекло:
Да
Зольный ящик:
Да
Шибер:
Нет
Подъем стекла вверх:
За те же деньги